Multec Ultraschallreinigung
- MonkeyWrench
- Beiträge: 634
- Registriert: 4. Apr 2011, 21:06
- Wohnort: Marpingen
- Kontaktdaten:
Multec Ultraschallreinigung
Mahlzeit,
mal ne ganz doofe Frage: Spräche was dagegen ne komplette Multec Ultraschall zu reiningen?
Das Einzige, was ich abmachen würde wäre der Poti aber ansonsten dürfte da doch nix dran sein was sone Reinigung
nicht vertragen würde oder?
Gruß
Matze
mal ne ganz doofe Frage: Spräche was dagegen ne komplette Multec Ultraschall zu reiningen?
Das Einzige, was ich abmachen würde wäre der Poti aber ansonsten dürfte da doch nix dran sein was sone Reinigung
nicht vertragen würde oder?
Gruß
Matze
Rock 'n Roll saved my Soul
'14er Zafira Tourer Innovation A20DTH Automatik Chip-Tuned
'88er Corsa A CC noch E12GV >> C20SER
Honda Monkey ^^
'14er Zafira Tourer Innovation A20DTH Automatik Chip-Tuned
'88er Corsa A CC noch E12GV >> C20SER
Honda Monkey ^^
- MonkeyWrench
- Beiträge: 634
- Registriert: 4. Apr 2011, 21:06
- Wohnort: Marpingen
- Kontaktdaten:
Re: Multec Ultraschallreinigung
MUUUULTEC nicht MOOOOTOR

Rock 'n Roll saved my Soul
'14er Zafira Tourer Innovation A20DTH Automatik Chip-Tuned
'88er Corsa A CC noch E12GV >> C20SER
Honda Monkey ^^
'14er Zafira Tourer Innovation A20DTH Automatik Chip-Tuned
'88er Corsa A CC noch E12GV >> C20SER
Honda Monkey ^^
Re: Multec Ultraschallreinigung
ööööha,
das kommt davon wenn man nebeinbei schnell was überfliegt und seinen Senft dazu geben muss

das kommt davon wenn man nebeinbei schnell was überfliegt und seinen Senft dazu geben muss
MfG
Stefan
Stefan
Re: Multec Ultraschallreinigung
sooo aber jetzt der richtige Senf;)
würd mir aber trotzdem Gedanken machen, ob es sinnvoll ist.
Ist ja doch jeeede menge dran wo evtl. durch defekte Dichtungen, Flüssigkeit eindringen kann,
oder abgelöste Verschmutzungen vielleicht Probleme verursachen könnten.
Aber da werden die Meinungen, denk ich, etwas auseinander gehen;)
würd mir aber trotzdem Gedanken machen, ob es sinnvoll ist.
Ist ja doch jeeede menge dran wo evtl. durch defekte Dichtungen, Flüssigkeit eindringen kann,
oder abgelöste Verschmutzungen vielleicht Probleme verursachen könnten.
Aber da werden die Meinungen, denk ich, etwas auseinander gehen;)
- Dateianhänge
-
- vom 1.8er
- multec-c18nz-18282.jpg (39.77 KiB) 38243 mal betrachtet
MfG
Stefan
Stefan
Re: Multec Ultraschallreinigung
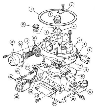
Ich denke schon, dass man die Multec durchaus so reinigen kann. Würde sie aber dafür möglichst weit zerlegen und nach dem reinigen jede Bohrung einmal mit Druckluft durchblasen.
Für mich stellt sich außerdem die Frage, warum möchtest du das machen? Ich sehe keinen Nutzen darin.
Für mich stellt sich außerdem die Frage, warum möchtest du das machen? Ich sehe keinen Nutzen darin.
Re: Multec Ultraschallreinigung
An welche art von Ultraschallbecken denkst du denn dabei?
MfG
Stefan
Stefan
- Black13i
- Moderator
- Beiträge: 7688
- Registriert: 13. Jan 2005, 09:14
- Wohnort: Friedberg/Bayern
- Kontaktdaten:
Re: Multec Ultraschallreinigung
Einmal äußerlich mit Drosselklappenreiniger drüber und gut is.
Hatte selbst in äußerst untoten Motoren nie irgend welche Probleme durch Verschmutzung.
Falls Du sie aber doch ins Ultraschallbad schmeisst, dann dichte sie hinterher auch komplett neu ab.
Gerade die Einspritzdüsenringe haben das rein und raus gar nicht gern
Hatte selbst in äußerst untoten Motoren nie irgend welche Probleme durch Verschmutzung.
Falls Du sie aber doch ins Ultraschallbad schmeisst, dann dichte sie hinterher auch komplett neu ab.
Gerade die Einspritzdüsenringe haben das rein und raus gar nicht gern

- MonkeyWrench
- Beiträge: 634
- Registriert: 4. Apr 2011, 21:06
- Wohnort: Marpingen
- Kontaktdaten:
Re: Multec Ultraschallreinigung
Hmm das mit den ganzen Dichtungen hab ich überhaupt nicht bedacht.
Dann werd ich sie wohl von Hand reinigen.
Der Hintergrund is jener: An der alten Multec ist der Druckregler kaputt gegangen und ich hab mir ne Neue inne Bucht geschossen. Die geschossene ist allerdings demaßen versappscht (vor Allem der Luftkanal vom Bypass), dass der kleine
im Stand läuft wien Eimer Nägel.
Jo, dass die Düse nicht gerne vor die Tür geht hab ich schon auf die harte Tour lernen müssen.
Aber danke für die schnelle Hilfe!!
Dann werd ich sie wohl von Hand reinigen.
Der Hintergrund is jener: An der alten Multec ist der Druckregler kaputt gegangen und ich hab mir ne Neue inne Bucht geschossen. Die geschossene ist allerdings demaßen versappscht (vor Allem der Luftkanal vom Bypass), dass der kleine
im Stand läuft wien Eimer Nägel.
Jo, dass die Düse nicht gerne vor die Tür geht hab ich schon auf die harte Tour lernen müssen.
Aber danke für die schnelle Hilfe!!
Rock 'n Roll saved my Soul
'14er Zafira Tourer Innovation A20DTH Automatik Chip-Tuned
'88er Corsa A CC noch E12GV >> C20SER
Honda Monkey ^^
'14er Zafira Tourer Innovation A20DTH Automatik Chip-Tuned
'88er Corsa A CC noch E12GV >> C20SER
Honda Monkey ^^
Re: Multec Ultraschallreinigung
Habe die Vergaserbatterie meiner YZF 750SP auch komplett in nem Ultraschallbad gehabt ,
wenn du so ein großes Bad hast - rein damit .
Danach schön abspülen und trockenblasen .
Simon
wenn du so ein großes Bad hast - rein damit .
Danach schön abspülen und trockenblasen .
Simon
- Black13i
- Moderator
- Beiträge: 7688
- Registriert: 13. Jan 2005, 09:14
- Wohnort: Friedberg/Bayern
- Kontaktdaten:
Re: Multec Ultraschallreinigung
Das Membrandingens vorne oben?
Da hätte ich mir beim FOH neue Kleinteile (Membran und Gedöns) geholt.
Wenn die Multec wirklich ultimativ versifft ist zwecks fahren mit Wasser im Öl und Hastdunichtgesehen hilft tatsächlich nur zerlegen und Ultraschall/DK-Reiniger.
Dann halt den kompletten Dichtsatz verbauen.
Aus heutiger Sicht würde ich bei nem Multec-Motor generell nen Ölabscheider (siehe X20XEV) verbauen um dann künftigem Siff gleich den Stecker zu ziehen.
Teilweise hatten die Multecmotoren sowas auch schon verbaut, in Form einer Blechdose Getriebeseitig hinten. Aber da die Motörchen jetzt doch alle schon 20 Jahre alt sind, sind auch die Teile wohl schon im Jenseits
bzw. auf Durchgang gepolt.
Da hätte ich mir beim FOH neue Kleinteile (Membran und Gedöns) geholt.
Wenn die Multec wirklich ultimativ versifft ist zwecks fahren mit Wasser im Öl und Hastdunichtgesehen hilft tatsächlich nur zerlegen und Ultraschall/DK-Reiniger.
Dann halt den kompletten Dichtsatz verbauen.
Aus heutiger Sicht würde ich bei nem Multec-Motor generell nen Ölabscheider (siehe X20XEV) verbauen um dann künftigem Siff gleich den Stecker zu ziehen.
Teilweise hatten die Multecmotoren sowas auch schon verbaut, in Form einer Blechdose Getriebeseitig hinten. Aber da die Motörchen jetzt doch alle schon 20 Jahre alt sind, sind auch die Teile wohl schon im Jenseits

- MonkeyWrench
- Beiträge: 634
- Registriert: 4. Apr 2011, 21:06
- Wohnort: Marpingen
- Kontaktdaten:
Re: Multec Ultraschallreinigung
Das mit dem Ölabscheider hab ich mir auch schon überlegt, den könnte man doch auch theoretisch dann am Ventildeckel unterbringen?!
Als ich gemerkt hab, dass es das war, wars ja schon "zu spät".
Zu erst hat er angefangen tierisch fett zu laufen, dann wurde die Multec nur noch geflutet.
Als ich Zwecks Sichtprüfung die Düse rausgepopelt hat is mir das untere kleine Sieb kaputt gegangen.
Sieb getausch... immer noch Spritflut >> ich denke die Düse hats hinter sich.
Inne Bucht dann ne Multec geschossen (diese sch***** Düse kostet neu 180€) Düse getauscht... Spritflut *grml*
Multec gewechselt... Einspritzbild passt, lediglich etwas zu viel Ölkohle im Bypass-Standgas-Luftansaug weg.
Werds jetzt mal wie mit der alten Multec machen und mit Bremsenreiniger und Dremel auf "Mattglanz" polieren und dann mal kuckn was dabei rauskommt.
Zu dem Ultraschallbecken werd ich mir aber trotzdem noch ein Paar Infos holen. Ich arbeite im Stahlschaffenden gewerbe und eine gute Freundin meiner Frau arbeit in unseren Forschungs- und Prüflabors und hat mir angebote, dass sie mir als "Sackarbeit" das ein oder andere Teil reinigen könnte.
vorher

und nach der Dremelbehandlung...

hoffe mal, dass ich diese wirklich massiv versappschte Multec sauber bekomme.
Als ich gemerkt hab, dass es das war, wars ja schon "zu spät".
Zu erst hat er angefangen tierisch fett zu laufen, dann wurde die Multec nur noch geflutet.
Als ich Zwecks Sichtprüfung die Düse rausgepopelt hat is mir das untere kleine Sieb kaputt gegangen.
Sieb getausch... immer noch Spritflut >> ich denke die Düse hats hinter sich.
Inne Bucht dann ne Multec geschossen (diese sch***** Düse kostet neu 180€) Düse getauscht... Spritflut *grml*
Multec gewechselt... Einspritzbild passt, lediglich etwas zu viel Ölkohle im Bypass-Standgas-Luftansaug weg.
Werds jetzt mal wie mit der alten Multec machen und mit Bremsenreiniger und Dremel auf "Mattglanz" polieren und dann mal kuckn was dabei rauskommt.
Zu dem Ultraschallbecken werd ich mir aber trotzdem noch ein Paar Infos holen. Ich arbeite im Stahlschaffenden gewerbe und eine gute Freundin meiner Frau arbeit in unseren Forschungs- und Prüflabors und hat mir angebote, dass sie mir als "Sackarbeit" das ein oder andere Teil reinigen könnte.
vorher
und nach der Dremelbehandlung...
hoffe mal, dass ich diese wirklich massiv versappschte Multec sauber bekomme.
Rock 'n Roll saved my Soul
'14er Zafira Tourer Innovation A20DTH Automatik Chip-Tuned
'88er Corsa A CC noch E12GV >> C20SER
Honda Monkey ^^
'14er Zafira Tourer Innovation A20DTH Automatik Chip-Tuned
'88er Corsa A CC noch E12GV >> C20SER
Honda Monkey ^^
Re: Multec Ultraschallreinigung
Beim revidieren eines kleinen NZ Motors haben wir so eine Blechdose mal komplett gespült (unglaublich wie dicht die war) und inspiziert, man schenkt solchen kleinen Teilen sonst ja eher wenig Beachtung.Black13i hat geschrieben: Teilweise hatten die Multecmotoren sowas auch schon verbaut, in Form einer Blechdose Getriebeseitig hinten. Aber da die Motörchen jetzt doch alle schon 20 Jahre alt sind, sind auch die Teile wohl schon im Jenseitsbzw. auf Durchgang gepolt.
Der Aufbau ist simpel und das Problem eher, das ein Durchgang eben nicht mehr richtig gewährleistet ist. Dann sammelt sich Ölschmand darin und wenn aufgrund des Drucks aus dem Kurbelwellengehäuse und des Unterdrucks von Oben doch mal was bis zur Multec durchkommt ist das so schmandtig, dass es in der Multec bzw. an der Drosselklappe hängen bleibt.
Einen Abhilfe ist meines Erachtens darin zu sehen diese kleinen "Ölabscheiderdosen" alle 2 Jahre zu spülen. Dann sollte sich auch die Verschmutzung der Multec in Grenzen halten. Ganz bleibt es bei dieser Konstruktion der Motorentlüftung sowieso nicht aus.
- MonkeyWrench
- Beiträge: 634
- Registriert: 4. Apr 2011, 21:06
- Wohnort: Marpingen
- Kontaktdaten:
Re: Multec Ultraschallreinigung
Black13i hat geschrieben:Das Membrandingens vorne oben?
Da hätte ich mir beim FOH neue Kleinteile (Membran und Gedöns) geholt.
Grade bei meinem FOH Teilemann nachgehorcht, der konnte mir leider nicht weiterhelfen...
zu allem Überfluss spuckt sein System bei der Membran die Teilenummer vom Movano LLK aus. *grml*
Die Einspritzdrücke der Multecen müsste doch immer gleich sein und unterscheiden sich nur im Durchfluss oder?
Dann könnt ich ja die schönste in meinem Sammelsurium vom Multecen raussuchen und austauschen?
Rock 'n Roll saved my Soul
'14er Zafira Tourer Innovation A20DTH Automatik Chip-Tuned
'88er Corsa A CC noch E12GV >> C20SER
Honda Monkey ^^
'14er Zafira Tourer Innovation A20DTH Automatik Chip-Tuned
'88er Corsa A CC noch E12GV >> C20SER
Honda Monkey ^^
- Black13i
- Moderator
- Beiträge: 7688
- Registriert: 13. Jan 2005, 09:14
- Wohnort: Friedberg/Bayern
- Kontaktdaten:
Re: Multec Ultraschallreinigung
Ja der Vorlaufdruck is immer ca. 0,3 Bar.
Du musst halt aufpassen zwecks DK-Durchmesser und die Düsen sind auch verschieden.
Seh ich das richtig, dass du einen Saufisaufi in deinen Corsa baust?

Du musst halt aufpassen zwecks DK-Durchmesser und die Düsen sind auch verschieden.
Seh ich das richtig, dass du einen Saufisaufi in deinen Corsa baust?

